Board #1 – One of my regular customers asked if I could take a look at a Century Phoenix. Never worked on one and it uses an 8085 processor – So no CATBOX assistance here.. The schematics seemed simple enough and the reported issue was basically loosing sync.

Step 1- build a bench adapter so that I can connect it to my rig and my bench controllers and my test rig. This one was relatively simple, but it still takes 2-3 hours to wire, validate and test to make sure it is ready to go.
Once I was connected – I was able to replicate the reported issue. VSYNC was being corrupted.

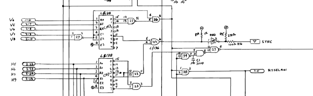
After following the sync signal – this is the area of the board that generates it.. Most of the sync I’ve seen in other designs just comes off the clock circuit – not sure why this is set up like this but the signal comes through an LS138(19) from V4,5,6 into an LS136(22) and buffered through LS14 (29).
I replaced the LS138, still had the issues. Replaced the LS14, same. The LS136 I had to order. Never used one before and a local repair shop I work with didn’t have them on the wall – been in business for 30 years. Finally received it – no change.
Working on it further – I determined that it was some sort of noise. The schematics showed some .01uf caps that were missing on the video board. I added them in. At this point I determined that only during sprite/shooter movement I was getting the noise that was effecting the vsync. The crazy part was I could clip a test probe to the new LS138 and I could make most of the issue go away.
The PCB had a couple of low quality caps installed (someone had replaced them at some point). Changed them out – no difference.


Here is the final solution: First pic shows the noise in the VSYNC pulse that gets corrupted and the monitor goes blank or scrolls. Second pic shows the noise 100% cured.

At this point I decided it is just a noisy circuit. I clipped a 102 cap to ground and tested each input on the (new)LS138. Pin1 cleared the noise issues perfectly. All of the 102’s in the schematic looked like afterthoughts. The originals were soldered to the chip legs like this one..
Board works!