I’d picked up a Space Duel board for myself a while back – it made it to the front of the bench.

Board #1 – My board

Triage:
- This is the ‘after’ shot – but overall a pretty clean board.
- Prior work: analog section had been worked on / socketed
- Once powered up – testing voltages – missing +15V.
- No clock
- Registered a number of bad ROMs
- All RAM checked bad
Started simple and replaced 7815 voltage regulator.
Probing around I found the 12MHz clock coming off the crystal no problem..

The 12MHz was clean going into @F3 pin 11 – and was being pulled up on the other side. The short was to the +5v power rail and was ~6 Ohms. No clock out of @E4 as a result. The down side.. The 12MHz signal hit 15 chips and 17 pins.

The vast majority of the connections were here. I let the board run a while and found one burning hot chip @F8. Removed it – but still had a short. I used a laser thermometer and the next ‘warmest’ chip was @C8. Pulling it eliminated the leak to +5V. Clocks were now running! A thermal camera could come in handy…
Some of the ROM and all of the RAM checked bad. One by one I removed RAM and socketed it.. and one by one the RAM checked good.. All 6 RAM were bad. After that only one ROM checked bad.. Replacing it got all RAM and ROM checking good.
Next up the Vector Generator. It was stone dead. Probing around found yet another leak.

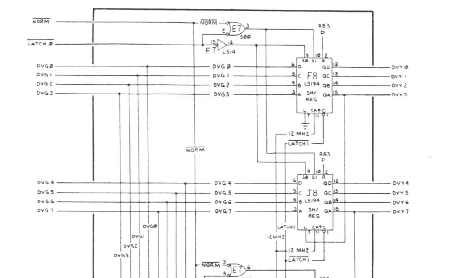
This time it was LATCH1 but it was being pulled to ground. An 8 Ohm leak. It hit ~9 chips. Since I had 2xbad LS194’s above, I removed the remaining 4. 3 of the 4 were bad in the chip tester.. But none of them were the cause of the leak. The 74S00@E7 was the problem child. Once I pulled it – the leak was removed.
I’ve run into this enough times now that a Leakseeker will be here in a few days.
Replacing all the chips restored operation of the Vector Generator!

Game running. This issue was in the analog section. Prior work helped me here. The TL082@D/E12 was already socketed. Replaced/easy fix.
The last problem could have been a rat hole. Game would run in attract mode for about 5-6 seconds and restart. If I coined up – it would still run 5-6 seconds and restart to attract mode. Therefore it was rebooting and it wasn’t the VG flaking out. If I moved quick – coined up – started the game and then got into game play. It was stable. I could play an entire game. All the RAM had been replaced, but I swapped in another set to be sure.. All the ROM checked good, but swapped in another set to be sure.
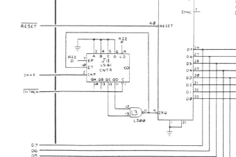
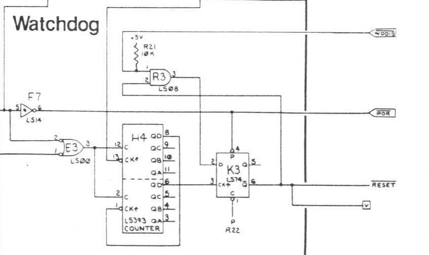
I decided to see if it was a watchdog reset and it looked like WDCLR was not getting signaled and the game rebooted itself. It was a software issue for sure.

Checking the interrupts – the 3KHz clock into LS161@J4 was coming in at 6KHz.
Working backwards…

LS393@F4 pin 8 was feeding 2x the clock doubling the output frequency on Pin 6, Pin 4.
Replaced LS393 – 3KHz and 12HKz clocks restored. No more crashes!

Board Works!
Board #2 – Received a board for repair
No issues found… I also have the 6100 chassis for it.. Problem is likely in the monitor. I will be doing board maintenance (clean chip legs, Deoxit, burn in test).
All the pots in the analog section were cermet except the BIP’s – they were the old stand up style.. replaced them.
Board works!
Board #3 – Friend sent me his Space Dual
Connected to the tester. RAM good, ROM good.
HALT and CENTER worked – draw did not.. Swapped the original AVG chip.
Board works!
Board #4 – Friend sent me his second Space Dual
Connected to the tester. RAM good, ROM good. The DIAG screen would pop up, but would not advance.. Started out acting weird to say the least.. After probing around and cross checking..

Determined that 74LS08@R3 was not functioning properly. Replacing it fixed the watchdog circuit. Now I could test the vector generator and it ran properly on the scope, but the game would not run. Turns out the RAM only partially ran good..


Removing RAM@H1 – some bad prior work. All the vias were torn out and traces were damaged. Spent some time cleaning up the damage, adding Kynar wire to repair the traces and used UV Cured Resin to lock down the repairs before soldering in a new socket. Once completed…

Board works!
Board #5 – Board in for repair
Owner sent in 2 boards and extra AVGs and Pokeys looking to get one board working. Initial testing showed all RAM good and all ROM good on the better looking of the two boards. From here it went sideways a bit.
Testing the vector generator showed HALT was good, but nothing else. Swapping around the AVGs made things confusing because there were 3 to choose from..

One had a broken leg, I fixit it and it was still bad.. Finally I put a known good AVG in and most of the VG circuit started working.


LS194@J8 had bad outputs and was the real issue with the vector circuit. Once that was replaced all the VG tests worked correctly.
Last was testing Pokey chips – all but 1 were bad.

In total – 3 bad Pokeys and 3 bad AVGs. Board took a power hit. I’ve seen this happen when 12v was accidently shorted to the PCB. The old TTL chips can often withstand it briefly, these repro chips can’t take it.. There are some originals that were dead and a single Pokey from the original boards was working.
All of the standup pots were replaced and the set went through standard burn in test cycles.
Board works!