Got a request from an arcade I’ve done some repair for in the past. Could I fix a couple of Atari Football boards? After taking a look at the schematics, I couldn’t see why not..
The way I test boards is to use my Test Bench and Adapters


This one was a bit different than most. Power was simple – but took a little planning. Football is pre-ARI/II days and the board does its own voltage regulation using AC inputs. I’m using the 10.3vdc and 22vdc connections from the bench supply and that passes through the regulator diodes. It also uses 2 trackballs – I just need to test functionality vs have a 2 player game running on the bench. I made a P1 and P2 connector for the trackballs and can test both sides by just swapping the inline connections to my controller. One other item was the original control panels used LEDs to show you what play you are choosing. I had made one of these little LED displays for Lunar Lander which does shows your selection the same way. As luck would have it, Football is common anode and Lunar Lander is common cathode – so now I have two LED displays for bench adapters. If there is ever another game with LEDs on the CP – I’m ready for it! I didn’t need to make the LED display, it’s just fun. I could test the game board directly if I wanted too.. The adapters take a 2-3 hours to build and test – but after that testing any board takes a few seconds to connect and you know the setup is 100%.
Board #1 – In for repair

Both boards came in and are in really nice shape for the most part. Once I got the board powered and voltages verified I worked on a FPGA Tester config. The memory map is relatively simple on Football. I can also see how some of Atari’s later designs evolved from this one (and probably games before it). From what I can tell, Centipede and Warlords use a similar (identical?) video memory layout. I can also understand how the ARI and ARII came to life. The voltage regulator and power resistor get hot – the resistor gets burn your finger hot.. After running it a few hours on the bench while in the shop, there are no ill effects. That said – if Football doesn’t have a cooling fan – I recommend it unless you bypass the on-board regulation and use different power.
First item during testing was the work ram was not being accessed properly

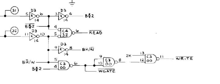
/PFWR not functioning.

Working backwards, the 7432@B4 was doing its job, the /WRITE was not working.

7400@C3 – not working correctly. Replaced it and we can now write to the RAM. Moving on to testing ROM – @M1 wasn’t reading. Quick test with known good ROM – same thing. Checked and the select PIN20 was not toggling.

Working backwards, 7432@B4 had no output on pin8. Replacing it corrected the ROM read.

Board works!
Board #2 – In for repair

The voltage regulation section on these early boards get hot. The resistor gets “you will burn your finger” hot (ask me how I know..) The first couple of hours of testing I was in the shop just to keep an eye on them. Both boards work the same.. I have a small fan on the bench ‘just in case’. I’ve burn in tested over 12 hours without issue..
Once powered up.. no clock.

74161@P5 Pin12 had no signal, which killed all the the clock divisions down stream of it. Once replaced – ROM read good, RAM was not addressable.

Interestingly, 7400@C3 was bad again. 2 for 2 on this one.



One of the fingers was burned up on the edge. It got cleaned, copper tape and then liquid tin. The tin helps prevent the copper from oxidation. Board1 did not have damage, but some of the copper was starting to show though from finger cleaning. It got some liquid tin to coat the copper.
Here are the play select LEDs in attract mode.. That’s just fun..

Easy to score a touchdown against no one!
Board works!